Описание 2-ходовой шаровой клапан н/у 11/2" DN40 с самовозвратным электроприводом Tervix Pro Line ZERG (205152)
205152 2-ходовий кульовий клапан н/в 11/2" DN40 з самозворотним електроприводом Tervix Pro Line ZERG Принцип - on/off. Клапан з приводом має 2-х точкове управління (N+L, 230В).При першому підключенні (конденсатор розряджений) клапан має положення «відкритий».
При першій подачі напруги на привід клапан залишається у положенні «відкрито», при знятті напруги з приводу (заряджений конденсатор) - у положення «закрито», при повторній подачі напруги - клапан знову переводиться у положення «відкрито».
Крайнє положення ручки, за годинниковою стрілкою, визначає положення як «відкрито».
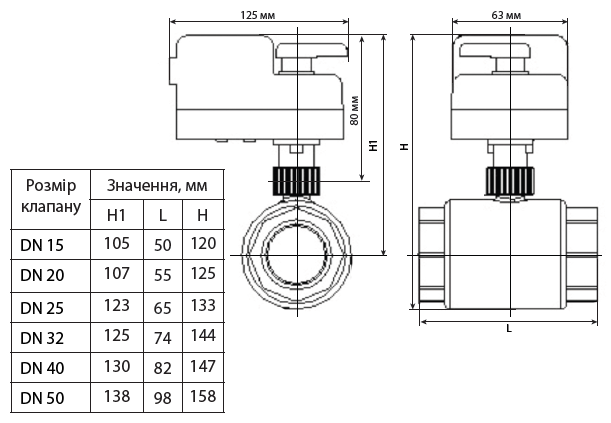
Привід оснащений потужним конденсатором, що забезпечує його повернення у початкове положення при зняття напруги з приводу. Кульові клапани ZERG призначені для встановлення в cистеми опалення, вентиляції та кондиціонування (HVAC), фанкойли, системи автоматичного управління водопостачанням, системи нагріву води та ін. в якості запірних елементів.
Експлуатація: Кульові клапани ZERG складаються з двох основних елементів - клапана і електричного приводу. Клапани ZERG дозволяється встановлювати без електричного приводу. Після монтажу клапана привід можна встановити в будь-який час. Під час експлуатації привід може бути замінений без необхідності зливу теплоносія або зупинки системи. В разі збою живлення клапан повертаєтся у положення «закритий». У випадку необхідності відкрити клапан вручну при відсутності електроенергії, потрібно натиснути на ручку та повернути її. Якщо конденсатор заряджений, то клапан може повертатися у попереднє положення. Тоді необхідно повторити цю дію декілька разів (2-5 раз) поки конденсатор не розрядиться. При відновленні електропостачання клапан самостійно повернеться до автоматичної роботи.
Переваги над аналогами: - ручне управління
- 2-х точкове управління
- при знятті напруги сам повертається у початкове положення
- потужний - зусилля 10Нм
- гарантія 2 роки
